| 減速比 | 入力軸回転数 | 項目 | 単位 | 72型 | 106型 | 121型 | 133型 | 150型 | 190型 | 223型 | 
| 1/100 | 1800(r/min) | 入力動力 | Kw | 0.52 | ||||||
| 出力トルク | N・m | 180.3 | ||||||||
| 出力O.H.L | N | 2205 | ||||||||
| 1500 | 入力動力 | Kw | 0.44 | |||||||
| 出力トルク | N・m | 180.3 | ||||||||
| 出力O.H.L | N | 2205 | ||||||||
| 1/150 | 1800(r/min) | 入力動力 | Kw | 0.38 | 1 | 1.42 | 2.03 | 3.38 | ||
| 出力トルク | N・m | 180.3 | 494.9 | 738.9 | 1049 | 1921 | ||||
| 出力O.H.L | N | 2205 | 4753 | 6674 | 8144 | 14377 | ||||
| 1500 | 入力動力 | Kw | 0.32 | 0.85 | 1.21 | 1.73 | 2.87 | |||
| 出力トルク | N・m | 180.3 | 494.9 | 738.9 | 1049 | 1921 | ||||
| 出力O.H.L | N | 2205 | 4753 | 6674 | 8144 | 14377 | ||||
| 1/200 | 1800(r/min) | 入力動力 | Kw | 0.31 | 0.77 | 1.15 | 1.59 | 2.69 | 4.69 | 6.45 | 
| 出力トルク | N・m | 180.3 | 494.9 | 738.9 | 1049 | 1921 | 3175 | 4871 | ||
| 出力O.H.L | N | 2205 | 4753 | 6674 | 8144 | 14377 | 18453 | 23745 | ||
| 1500 | 入力動力 | Kw | 0.26 | 0.66 | 0.98 | 1.36 | 2.29 | 4 | 5.47 | |
| 出力トルク | N・m | 180.3 | 494.9 | 738.9 | 1049 | 1921 | 3175 | 4871 | ||
| 出力O.H.L | N | 2205 | 4753 | 6674 | 8144 | 14377 | 18453 | 23745 | ||
| 1/300 | 1800(r/min) | 入力動力 | Kw | 0.26 | 0.55 | 0.84 | 1.15 | 1.92 | 3.32 | 4.6 | 
| 出力トルク | N・m | 180.3 | 494.9 | 738.9 | 1049 | 1921 | 3175 | 4871 | ||
| 出力O.H.L | N | 2205 | 4753 | 6674 | 8144 | 14377 | 18453 | 23745 | ||
| 1500 | 入力動力 | Kw | 0.21 | 0.48 | 0.72 | 0.98 | 1.64 | 2.84 | 3.88 | |
| 出力トルク | N・m | 180.3 | 494.9 | 738.9 | 1049 | 1921 | 3175 | 4871 | ||
| 出力O.H.L | N | 2205 | 4753 | 6674 | 8144 | 14377 | 18453 | 23745 | ||
| 1/400 | 1800(r/min) | 入力動力 | Kw | 0.2 | 0.46 | 0.66 | 0.91 | 1.49 | 2.6 | 3.62 | 
| 出力トルク | N・m | 180.3 | 494.9 | 738.9 | 1049 | 1921 | 3175 | 4871 | ||
| 出力O.H.L | N | 2205 | 4753 | 6674 | 8144 | 14377 | 18453 | 23745 | ||
| 1500 | 入力動力 | Kw | 0.17 | 0.39 | 0.57 | 0.78 | 1.27 | 2.23 | 3.08 | |
| 出力トルク | N・m | 180.3 | 494.9 | 738.9 | 1049 | 1921 | 3175 | 4871 | ||
| 出力O.H.L | N | 2205 | 4753 | 6674 | 8144 | 14377 | 18453 | 23745 | ||
| 1/600 | 1800(r/min) | 入力動力 | Kw | 0.15 | 0.34 | 0.51 | 0.69 | 1.12 | 1.97 | 2.63 | 
| 出力トルク | N・m | 180.3 | 494.9 | 738.9 | 1049 | 1921 | 3175 | 4871 | ||
| 出力O.H.L | N | 2205 | 4753 | 6674 | 8144 | 14377 | 18453 | 23745 | ||
| 1500 | 入力動力 | Kw | 0.13 | 0.29 | 0.44 | 0.6 | 0.97 | 1.69 | 2.25 | |
| 出力トルク | N・m | 180.3 | 494.9 | 738.9 | 1049 | 1921 | 3175 | 4871 | ||
| 出力O.H.L | N | 2205 | 4753 | 6674 | 8144 | 14377 | 18453 | 23745 | ||
| 1/800 | 1800(r/min) | 入力動力 | Kw | 0.13 | 0.29 | 0.41 | 0.56 | 0.89 | 1.55 | 2.14 | 
| 出力トルク | N・m | 180.3 | 494.9 | 738.9 | 1049 | 1921 | 3175 | 4871 | ||
| 出力O.H.L | N | 2205 | 4753 | 6674 | 8144 | 14377 | 18453 | 23745 | ||
| 1500 | 入力動力 | Kw | 0.11 | 0.25 | 0.35 | 0.48 | 0.76 | 1.33 | 1.83 | |
| 出力トルク | N・m | 180.3 | 494.9 | 738.9 | 1049 | 1921 | 3175 | 4871 | ||
| 出力O.H.L | N | 2205 | 4753 | 6674 | 8144 | 14377 | 18453 | 23745 | ||
| 1/1200 | 1800(r/min) | 入力動力 | Kw | 0.11 | 0.23 | 0.35 | 0.46 | 0.73 | 1.33 | 1.67 | 
| 出力トルク | N・m | 180.3 | 494.9 | 738.9 | 1049 | 1921 | 3175 | 4871 | ||
| 出力O.H.L | N | 2205 | 4753 | 6674 | 8144 | 14377 | 18453 | 23745 | ||
| 1500 | 入力動力 | Kw | 0.094 | 0.2 | 0.3 | 0.4 | 0.63 | 1.15 | 1.43 | |
| 出力トルク | N・m | 180.3 | 494.9 | 738.9 | 1049 | 1921 | 3175 | 4871 | ||
| 出力O.H.L | N | 2205 | 4753 | 6674 | 8144 | 14377 | 18453 | 23745 | ||
| 1/1600 | 1800(r/min) | 入力動力 | Kw | 0.093 | 0.2 | 0.28 | 0.38 | 0.57 | 1.06 | 1.36 | 
| 出力トルク | N・m | 180.3 | 494.9 | 738.9 | 1049 | 1921 | 3175 | 4871 | ||
| 出力O.H.L | N | 2205 | 4753 | 6674 | 8144 | 14377 | 18453 | 23745 | ||
| 1500 | 入力動力 | Kw | 0.081 | 0.17 | 0.24 | 0.33 | 0.5 | 0.91 | 1.17 | |
| 出力トルク | N・m | 180.3 | 494.9 | 738.9 | 1049 | 1921 | 3175 | 4871 | ||
| 出力O.H.L | N | 2205 | 4753 | 6674 | 8144 | 14377 | 18453 | 23745 | 
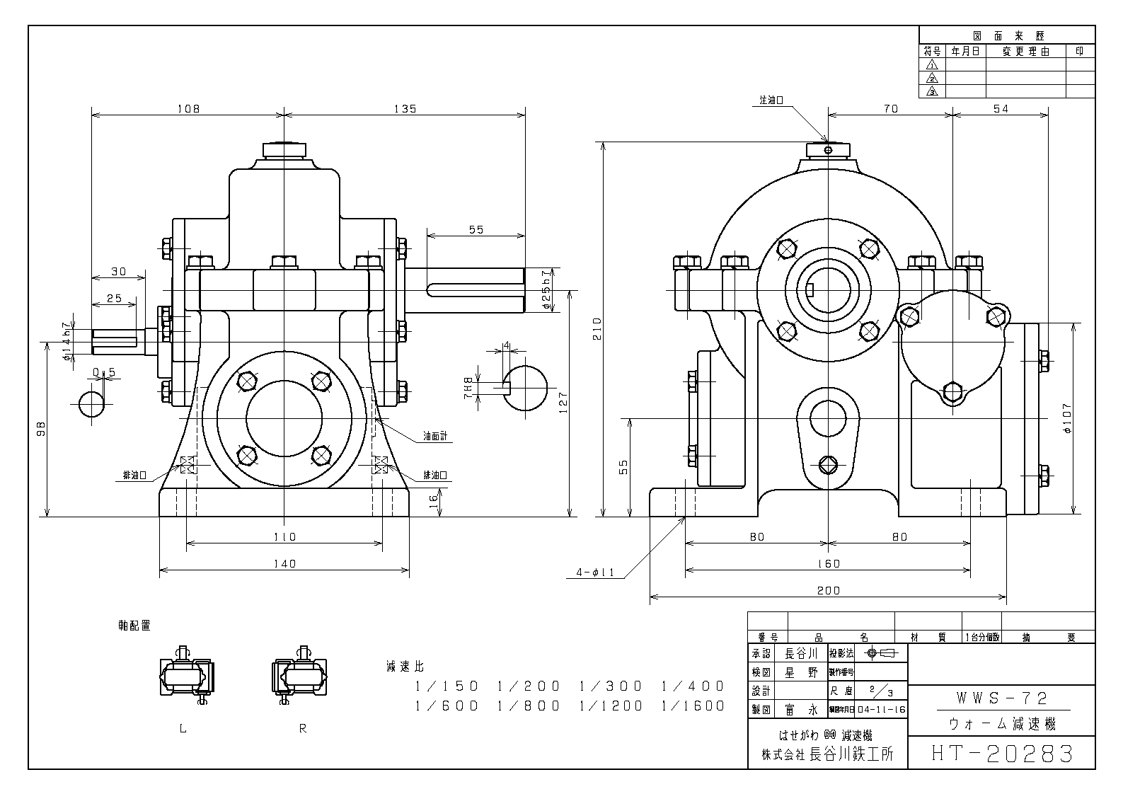
                        | 72型 | 106型 | 121型 | 133型 | 150型 | 190型 | 223型 | |||
| W | 入力 | ベアリング | 30203 | 30205 | 30206 | 30206 | 30306 | 30307 | 30210 | 
| オイルシール | 15307 | 224210 | 284811 | 284811 | 305011 | 355511 | 456812 | ||
| 中間 | ベアリング | 30204 | 30206 | 30206 | 30306 | 30307 | 30309 | 30311 | |
| 出力 | ベアリング | 6205 | 6207 | 30209 | 30210 | 30213 | 30214 | 30219 | |
| オイルシール | 25357 | 355511 | 456812 | 507212 | 608212 | 709212 | 9512013 | ||
※オイルシールはJIS規格のタイプ4(旧JIS規格のD型)を使用しています。