| 減速比 | 入力軸回転数 | 項目 | 単位 | 43型 | 55型 | 70型 | 78型 | 85型 | 92型 | 102型 | 125型 | 150型 | 175型 | 200型 | 225型 | 250型 | 300型 |
| 1/10 | 1800(r/min) | 入力動力 | Kw | 0.73 | 1.24 | 3.14 | 3.76 | 4.09 | 5.51 | 7.15 | 12.10 | 14.20 | 22.3 | 32.8 | 36.3 | 50.2 | |
| 出力トルク | N・m | 32.54 | 55.86 | 147.0 | 178.4 | 191.1 | 260.7 | 341.0 | 578.2 | 698.7 | 1088 | 1607 | 1774 | 2470 | |||
| 出力O.H.L | N | 803.6 | 1176 | 1695 | 1735 | 2283 | 4802 | 5459 | 6096 | 7134 | 11672 | 12417 | 14004 | 24755 | |||
| 1500 | 入力動力 | Kw | 0.67 | 1.17 | 2.94 | 3.51 | 3.77 | 5.08 | 6.62 | 11.1 | 13.1 | 20.7 | 30.4 | 34.1 | 46.9 | ||
| 出力トルク | N・m | 35.48 | 62.52 | 1637 | 198 | 208.7 | 286.2 | 375.3 | 635.0 | 767.3 | 1196 | 1784 | 1980 | 2764 | |||
| 出力O.H.L | N | 833 | 1245 | 1803 | 1842 | 2421 | 5057 | 5753 | 6429 | 7517 | 12289 | 13073 | 14945 | 25725 | |||
| 1200 | 入力動力 | Kw | 0.6 | 1.07 | 2.69 | 3.22 | 3.45 | 4.65 | 6.02 | 10.1 | 11.8 | 18.7 | 27.4 | 30.8 | 42.8 | ||
| 出力トルク | N・m | 39 | 70.36 | 185.2 | 224.4 | 236.2 | 323.4 | 422.4 | 710.5 | 858.5 | 1343.0 | 1999 | 2244.0 | 3136 | |||
| 出力O.H.L | N | 833 | 1313 | 1940 | 1980 | 2607 | 5145 | 6164 | 6889.0 | 8056 | 13171 | 14014 | 15876 | 25725 | |||
| 1000 | 入力動力 | Kw | 0.54 | 0.97 | 2.46 | 2.95 | 3.25 | 4.37 | 5.65 | 9.3 | 11.00 | 17.3 | 25.3 | 28.3 | 39.6 | ||
| 出力トルク | N・m | 41.55 | 76.54 | 200.9 | 245 | 263.6 | 360.6 | 470.4 | 783.0 | 947.7 | 1480 | 2205 | 2470 | 3469 | |||
| 出力O.H.L | N | 833 | 1421 | 2058 | 2107 | 2773 | 5145 | 6537 | 7301.0 | 8546 | 13975 | 14857 | 16807 | 25725 | |||
| 500 | 入力動力 | Kw | 0.33 | 0.63 | 1.58 | 1.91 | 2.28 | 3.04 | 4.03 | 6.9 | 8.07 | 13.1 | 193 | 21.3 | 29.8 | ||
| 出力トルク | N・m | 48.31 | 93.79 | 248.9 | 305.8 | 354.8 | 483.1 | 646.8 | 1117 | 1352 | 2166 | 3224 | 3616 | 5027 | |||
| 出力O.H.L | N | 833 | 1705 | 2391 | 2646 | 3489 | 5145 | 7232 | 8820.0 | 10476 | 17042 | 18218 | 20551 | 25725 | |||
| 1/15 | 1800(r/min) | 入力動力 | Kw | 0.55 | 0.92 | 2.35 | 2.79 | 3.05 | 4.11 | 5.34 | 9.4 | 12.4 | 18.6 | 23 | 29.8 | 37 | |
| 出力トルク | N・m | 34.69 | 59.49 | 157.8 | 192.1 | 202.9 | 279.3 | 365.5 | 655.6 | 896.7 | 1313 | 1637 | 2136 | 2656 | |||
| 出力O.H.L | N | 833 | 1343 | 1940 | 1980 | 2607 | 5145 | 6164 | 6889.0 | 8056 | 13171 | 14014 | 15876 | 25725 | |||
| 1500 | 入力動力 | Kw | 0.51 | 0.88 | 2.21 | 2.64 | 2.82 | 3.78 | 4.95 | 8.7 | 11.5 | 17.2 | 21.5 | 27.6 | 34.6 | ||
| 出力トルク | N・m | 37.83 | 66.74 | 176.4 | 214.6 | 222.5 | 304.8 | 400.8 | 719.3 | 989.8 | 1450 | 1823 | 2372 | 2969 | |||
| 出力O.H.L | N | 833 | 1421 | 2058 | 2107 | 2773 | 5145 | 6537 | 7301 | 8546 | 13975 | 14857 | 16807 | 25725 | |||
| 1200 | 入力動力 | Kw | 0.46 | 0.81 | 2.02 | 2.42 | 2.6 | 3.5 | 4.53 | 7.9 | 10.4 | 15.6 | 19.5 | 25 | 31.7 | ||
| 出力トルク | N・m | 41.65 | 74.87 | 198 | 242.1 | 252.8 | 347.9 | 452.8 | 805.6 | 1098 | 1627 | 2058 | 2675 | 3381 | |||
| 出力O.H.L | N | 833 | 1529 | 2205 | 2254 | 2969 | 5145 | 6948 | 7781.0 | 9094 | 14876 | 15817 | 17973 | 25725 | |||
| 1000 | 入力動力 | Kw | 0.41 | 0.74 | 1.85 | 2.22 | 2.46 | 3.29 | 4.27 | 7.35 | 9.67 | 14.4 | 18 | 23 | 29.3 | ||
| 出力トルク | N・m | 44.2 | 81.44 | 215.6 | 262.6 | 281.3 | 386.1 | 504.7 | 894.7 | 1215 | 1793 | 2254 | 2940 | 3724 | |||
| 出力O.H.L | N | 833 | 1627 | 2352 | 2411 | 31756 | 5145 | 7232 | 8193.0 | 9584 | 15670 | 16670 | 19149 | 25725 | |||
| 500 | 入力動力 | Kw | 0.25 | 0.48 | 1.2 | 1.44 | 1.74 | 2.31 | 3.07 | 5.4 | 7.12 | 11 | 13.7 | 15.1 | 21.9 | ||
| 出力トルク | N・m | 51.35 | 99.96 | 264.6 | 325.4 | 377.3 | 514.5 | 690.9 | 1254.0 | 17235 | 2617 | 3312 | 3734 | 5400 | |||
| 出力O.H.L | N | 833 | 1705 | 2195 | 3038 | 3989 | 5145 | 7232 | 8820.0 | 11593 | 17042 | 19992 | 21570 | 25725 | |||
| 1/20 | 1800(r/min) | 入力動力 | Kw | 0.45 | 0.9 | 1.49 | 2.25 | 2.63 | 3.19 | 4.36 | 7.17 | 8.33 | 14.4 | 19.2 | 23.6 | 29.1 | 41.1 |
| 出力トルク | N・m | 35.48 | 75.07 | 125.4 | 197 | 228.3 | 280.3 | 391 | 658.6 | 774.2 | 1343 | 1793 | 2205 | 2744 | 3861 | ||
| 出力O.H.L | N | 833 | 1470 | 2127 | 2166 | 2862 | 5145 | 6723 | 7517.0 | 8791 | 14367 | 15288 | 17277 | 25725 | 28626 | ||
| 1500 | 入力動力 | Kw | 0.42 | 0.85 | 1.4 | 2.12 | 2.45 | 2.97 | 4.03 | 6.7 | 7.7 | 13.3 | 17.9 | 21.7 | 27.1 | 38.7 | |
| 出力トルク | N・m | 38.71 | 83.01 | 140.1 | 219.5 | 251.9 | 308.7 | 430.2 | 732.1 | 851.6 | 1480 | 1980 | 2430 | 3048 | 4351 | ||
| 出力O.H.L | N | 833 | 1568 | 2264 | 2313 | 3048 | 5145 | 7085 | 7928.0 | 9271 | 15161 | 16121 | 18208 | 25725 | 30174 | ||
| 1200 | 入力動力 | Kw | 0.38 | 0.77 | 1.3 | 1.94 | 2.3 | 2.77 | 3.75 | 6.16 | 6.97 | 12.1 | 16.1 | 19.8 | 24.8 | 35.4 | |
| 出力トルク | N・m | 42.43 | 92.12 | 158.8 | 247 | 288.1 | 352.8 | 492 | 826.1 | 952.6 | 1656 | 2225 | 2744 | 3459 | 4949 | ||
| 出力O.H.L | N | 833 | 1686 | 2391 | 2489 | 3283 | 5145 | 7232 | 8457.0 | 9888 | 16180 | 17209 | 19610 | 25725 | 32497 | ||
| 1000 | 入力動力 | Kw | 0.34 | 0.71 | 1.2 | 1.79 | 2.13 | 2.57 | 3.5 | 5.8 | 6.56 | 11.2 | 14.9 | 18.63 | 22.8 | 32.8 | |
| 出力トルク | N・m | 45.08 | 98.98 | 173.5 | 269.5 | 316.5 | 389.1 | 541.9 | 921.2 | 1058 | 1823 | 2440 | 3018 | 3783 | 5478 | ||
| 出力O.H.L | N | 833 | 1705 | 2391 | 2646 | 3489 | 5145 | 7232 | 8820 | 10476 | 17042 | 19992 | 21570 | 25725 | 34045 | ||
| 500 | 入力動力 | Kw | 0.21 | 0.45 | 0.8 | 1.17 | 1.46 | 1.56 | 2.49 | 4.1 | 5.09 | 8.49 | 11.4 | 11.8 | 17.5 | 22.1 | |
| 出力トルク | N・m | 52.43 | 118 | 217.6 | 332.2 | 408.7 | 504.7 | 704.6 | 1245.0 | 1490 | 2636 | 3567 | 3734 | 5557 | 6791 | ||
| 出力O.H.L | N | 833 | 1705 | 2391 | 3293 | 3989 | 5145 | 7232 | 8820.0 | 11593 | 17042 | 19992 | 21570 | 25725 | 36515 | ||
| 1/30 | 1800(r/min) | 入力動力 | Kw | 0.34 | 0.56 | 1.39 | 1.65 | 1.98 | 2.41 | 3.12 | 5.4 | 7.03 | 10.6 | 13.1 | 16.7 | 20.9 | 29.2 |
| 出力トルク | N・m | 35.77 | 61.15 | 162.7 | 198 | 236.2 | 287.1 | 378.3 | 676.2 | 930 | 1362 | 1695 | 2225 | 2754 | 3920 | ||
| 出力O.H.L | N | 833 | 1686 | 2391 | 2489 | 3273 | 5145 | 7232 | 8487.0 | 9918 | 17042 | 17258 | 19610 | 25725 | 32497 | ||
| 1500 | 入力動力 | Kw | 0.32 | 0.55 | 1.32 | 1.56 | 1.85 | 2.24 | 2.91 | 5.02 | 6.54 | 9.84 | 12.3 | 15.5 | 19.6 | 27.5 | |
| 出力トルク | N・m | 39 | 68.6 | 182.3 | 221.5 | 260.7 | 314.6 | 414.5 | 743.8 | 1019 | 1509 | 1891 | 2470 | 3087 | 4400 | ||
| 出力O.H.L | N | 833 | 1705 | 2391 | 2656 | 3499 | 5145 | 7232 | 8820.0 | 10476 | 17042 | 18218 | 20551 | 25725 | 34045 | ||
| 1200 | 入力動力 | Kw | 0.29 | 0.51 | 1.21 | 1.44 | 1.74 | 2.1 | 2.68 | 4.6 | 5.96 | 8.98 | 11.2 | 14.2 | 18 | 25.2 | |
| 出力トルク | N・m | 42.83 | 76.93 | 204.8 | 249.9 | 297.9 | 358.7 | 466.5 | 831.0 | 1147 | 1686 | 2127 | 2773 | 3499 | 4998 | ||
| 出力O.H.L | N | 833 | 1705 | 2391 | 2852 | 3753 | 5145 | 7232 | 8820.0 | 11201 | 17042 | 19482 | 21570 | 25725 | 36515 | ||
| 1000 | 入力動力 | Kw | 0.26 | 0.47 | 1.12 | 1.33 | 1.62 | 1.99 | 2.55 | 4.4 | 5.26 | 8.38 | 10.4 | 13.1 | 16.7 | 23.4 | |
| 出力トルク | N・m | 45.37 | 83.59 | 222.5 | 271.5 | 327.3 | 398.9 | 520.4 | 928.1 | 1274 | 1852 | 2332 | 3048 | 3851 | 5527 | ||
| 出力O.H.L | N | 833 | 1705 | 2391 | 3048 | 3989 | 5145 | 7232 | 8820.0 | 11593 | 17042 | 19992 | 21570 | 25725 | 36515 | ||
| 500 | 入力動力 | Kw | 0.17 | 0.32 | 0.75 | 0.88 | 1.13 | 1.44 | 1.89 | 3.3 | 4.19 | 6.54 | 8.12 | 8.6 | 12.9 | 25.1 | |
| 出力トルク | N・m | 52.72 | 103 | 272.4 | 335.2 | 421.4 | 529.2 | 710.5 | 1294.0 | 1784 | 2705 | 3420 | 3734 | 5606 | 6791 | ||
| 出力O.H.L | N | 833 | 1705 | 2391 | 3293 | 3989 | 5145 | 7232 | 8820.0 | 11593 | 17042 | 19992 | 21570 | 25725 | 36515 | ||
| 1/40 | 1800(r/min) | 入力動力 | Kw | 0.28 | 0.55 | 0.89 | 1.32 | 1.55 | 1.85 | 2.5 | 4.1 | 4.65 | 8.06 | 10.7 | 13.1 | 16.1 | 23.6 |
| 出力トルク | N・m | 35.28 | 74.87 | 125.4 | 197 | 228.3 | 279.3 | 390 | 665.4 | 775.2 | 1343 | 1803 | 2195 | 2744 | 3871 | ||
| 出力O.H.L | N | 833 | 1705 | 2391 | 2744 | 3616 | 5145 | 7232 | 8820.0 | 10809 | 17042 | 18806 | 21364 | 25725 | 35398 | ||
| 1500 | 入力動力 | Kw | 0.26 | 0.53 | 0.85 | 1.25 | 1.46 | 1.74 | 2.33 | 3.8 | 4.34 | 7.4 | 9.95 | 12.1 | 15 | 21.5 | |
| 出力トルク | N・m | 38.51 | 82.71 | 140.1 | 218.5 | 251.9 | 308.7 | 431.2 | 730.1 | 853.6 | 1480 | 1989 | 2440 | 3058 | 4341 | ||
| 出力O.H.L | N | 833 | 1705 | 2391 | 2920 | 3842 | 5145 | 7232 | 8820.0 | 11427 | 17042 | 19884 | 21570 | 25725 | 36515 | ||
| 1200 | 入力動力 | Kw | 0.24 | 0.48 | 0.79 | 1.16 | 1.38 | 1.64 | 2.19 | 3.6 | 3.96 | 6.88 | 9.06 | 11.1 | 13.8 | 19.8 | |
| 出力トルク | N・m | 42.24 | 91.73 | 158.8 | 247 | 287.1 | 352.8 | 492.9 | 828.1 | 951.6 | 1666 | 2225 | 2744 | 3459 | 4969 | ||
| 出力O.H.L | N | 833 | 1705 | 2391 | 3136 | 3989 | 5145 | 7232 | 8820.0 | 11593 | 17042 | 19992 | 21570 | 25725 | 36515 | ||
| 1000 | 入力動力 | Kw | 0.22 | 0.44 | 0.74 | 1.08 | 1.29 | 1.54 | 2.06 | 3.37 | 3.8 | 6.4 | 8.42 | 10.4 | 12.8 | 18.4 | |
| 出力トルク | N・m | 44.98 | 98 | 172.5 | 268.5 | 316.5 | 388.1 | 542.9 | 923.2 | 1058 | 1823 | 2450 | 3028 | 3783 | 5488 | ||
| 出力O.H.L | N | 833 | 1705 | 2391 | 3293 | 3989 | 5145 | 7232 | 8820 | 11593 | 17042 | 19992 | 21570 | 25725 | 36515 | ||
| 500 | 入力動力 | Kw | 0.14 | 0.29 | 0.51 | 0.73 | 0.91 | 1.09 | 1.45 | 2.42 | 2.83 | 5 | 6.64 | 6.98 | 10.1 | 12.1 | |
| 出力トルク | N・m | 52.14 | 117 | 216.6 | 331.2 | 407.7 | 502.7 | 702.7 | 1235.0 | 1490 | 2636 | 3577 | 3734 | 5566 | 6791 | ||
| 出力O.H.L | N | 833 | 1705 | 2391 | 3293 | 3989 | 5145 | 7232 | 8820 | 11593 | 17042 | 19992 | 21570 | 25725 | 36515 | ||
| 1/50 | 1800(r/min) | 入力動力 | Kw | 0.25 | 0.36 | 0.72 | 1.12 | 1.21 | 1.58 | 2.03 | 3.34 | 4.5 | 6.17 | 8.73 | 9.94 | 13 | 17.6 |
| 出力トルク | N・m | 37.63 | 51.94 | 114.7 | 201.9 | 209.7 | 297.9 | 369.5 | 641.9 | 915.3 | 1205 | 1725 | 1911 | 2646 | 3724 | ||
| 出力O.H.L | N | 833 | 1705 | 2391 | 2950 | 3989 | 5145 | 7232 | 8820 | 11544 | 17042 | 19992 | 21570 | 25725 | 36515 | ||
| 1500 | 入力動力 | Kw | 0.24 | 0.34 | 0.69 | 1.06 | 1.14 | 1.51 | 1.91 | 3.11 | 4.22 | 5.68 | 8.22 | 9.29 | 12.1 | 16.5 | |
| 出力トルク | N・m | 40.87 | 58.02 | 127.4 | 224.4 | 230.3 | 334.2 | 406.7 | 703.6 | 999.6 | 1313 | 1911 | 2127 | 2950 | 4145 | ||
| 出力O.H.L | N | 833 | 1705 | 2391 | 3146 | 3989 | 5145 | 7232 | 8820 | 11593 | 17042 | 19992 | 21570 | 25725 | 36515 | ||
| 1200 | 入力動力 | Kw | 0.21 | 0.32 | 0.66 | 0.96 | 1.08 | 1.39 | 1.8 | 2.91 | 3.94 | 5.25 | 7.46 | 8.6 | 11.2 | 15.2 | |
| 出力トルク | N・m | 44.39 | 65.07 | 146 | 248.9 | 262.6 | 373.4 | 464.5 | 797.7 | 1147 | 1470 | 2146 | 2411 | 3332 | 4704 | ||
| 出力O.H.L | N | 833 | 1705 | 2391 | 3205 | 3989 | 5145 | 7232 | 8820 | 11593 | 17042 | 19992 | 21570 | 25725 | 36515 | ||
| 1000 | 入力動力 | Kw | 0.2 | 0.3 | 0.61 | 0.89 | 1.02 | 1.28 | 1.7 | 2.78 | 3.72 | 4.9 | 6.93 | 8.05 | 10.4 | 14 | |
| 出力トルク | N・m | 46.94 | 70.76 | 158.8 | 267.5 | 290.1 | 404.7 | 512.5 | 889.8 | 1264 | 1607 | 2352 | 2656 | 3655 | 5145 | ||
| 出力O.H.L | N | 833 | 1705 | 2391 | 3293 | 3989 | 5145 | 7232 | 8820 | 11593 | 17042 | 19992 | 21570 | 25725 | 36515 | ||
| 500 | 入力動力 | Kw | 0.12 | 0.21 | 0.44 | 0.58 | 0.74 | 0.85 | 1.22 | 2.03 | 2.69 | 4.23 | 5.57 | 6.25 | 8.32 | 10 | |
| 出力トルク | N・m | 53.51 | 86.63 | 200.9 | 320.5 | 376.3 | 492.9 | 667.4 | 1186 | 1695 | 2528 | 3450 | 3734 | 5370 | 6791 | ||
| 出力O.H.L | N | 833 | 1705 | 2391 | 3293 | 3989 | 5145 | 7232 | 8820 | 11593 | 17042 | 19992 | 21570 | 25725 | 36515 | ||
| 1/60 | 1800(r/min) | 入力動力 | Kw | 0.22 | 0.35 | 0.79 | 0.89 | 0.94 | 1.29 | 1.6 | 2.58 | 3.13 | 5.14 | 6.88 | 8.82 | 10.2 | 15.3 |
| 出力トルク | N・m | 34.59 | 55.47 | 148 | 172.5 | 183.3 | 283.2 | 345 | 594.9 | 709.5 | 1147 | 1627 | 2009 | 2489 | 3548 | ||
| 出力O.H.L | N | 833 | 1705 | 2391 | 3126 | 3989 | 5145 | 7232 | 8820 | 11593 | 17042 | 19992 | 21570 | 25725 | 36515 | ||
| 1500 | 入力動力 | Kw | 0.21 | 0.34 | 0.76 | 0.84 | 0.89 | 1.24 | 1.52 | 2.46 | 2.92 | 4.78 | 6.34 | 8.21 | 9.45 | 14.4 | |
| 出力トルク | N・m | 37.73 | 61.94 | 164.6 | 192.1 | 201.9 | 316.5 | 384.2 | 662.5 | 781.1 | 1254 | 1784 | 2234 | 2754 | 3969 | ||
| 出力O.H.L | N | 833 | 1705 | 2391 | 3293 | 3989 | 5145 | 7232 | 8820 | 11593 | 17042 | 19992 | 21570 | 25725 | 36515 | ||
| 1200 | 入力動力 | Kw | 0.19 | 0.31 | 0.71 | 0.79 | 0.84 | 1.14 | 1.42 | 2.3 | 2.71 | 4.43 | 5.88 | 7.56 | 8.63 | 13.3 | |
| 出力トルク | N・m | 41.45 | 69.48 | 185.2 | 216.6 | 230.3 | 354.8 | 436.1 | 755.6 | 870.2 | 1411 | 2009 | 2509 | 3087 | 4537 | ||
| 出力O.H.L | N | 833 | 1705 | 2391 | 3293 | 3989 | 5145 | 7232 | 8820 | 11593 | 17042 | 19992 | 21570 | 25725 | 36515 | ||
| 1000 | 入力動力 | Kw | 0.18 | 0.29 | 0.66 | 0.74 | 0.81 | 1.05 | 1.33 | 2.14 | 2.6 | 4.13 | 5.5 | 7.09 | 8.06 | 12.4 | |
| 出力トルク | N・m | 44 | 75.46 | 200.9 | 235.2 | 258.7 | 284.2 | 476.3 | 826.1 | 970.2 | 1519 | 2205 | 2764 | 3391 | 5018 | ||
| 出力O.H.L | N | 833 | 1705 | 2391 | 3293 | 3989 | 5145 | 7232 | 8820 | 11593 | 17042 | 19992 | 21570 | 25725 | 36515 | ||
| 500 | 入力動力 | Kw | 0.12 | 0.21 | 0.46 | 0.51 | 0.62 | 0.7 | 0.93 | 1.48 | 1.99 | 3.35 | 4.39 | 5.3 | 6.44 | 9.17 | |
| 出力トルク | N・m | 51.06 | 92.51 | 246 | 290.1 | 350.8 | 467.5 | 597.8 | 1039 | 1362 | 2254 | 3195 | 3734 | 4949 | 6791 | ||
| 出力O.H.L | N | 833 | 1705 | 2391 | 3293 | 3989 | 5145 | 7232 | 8820 | 11593 | 17042 | 19992 | 21570 | 25725 | 36515 |
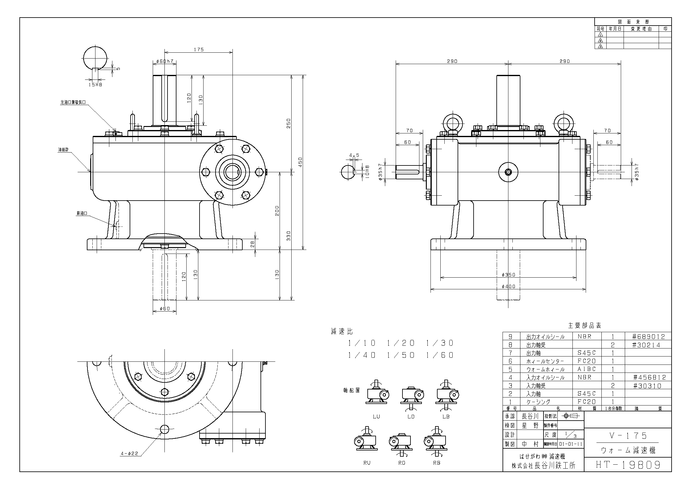
| 55型 | 70型 | 85型 | 92型 | 102型 | 125型 | 150型 | 175型 | 200型 | 250型 | 300型 | |||
| V | 入力 | ベアリング | 30203 | 30205 | 30206 | 30206 | 30306 | 30307 | 30209 | 30310 | 30311 | 30313D | 30316 |
| オイルシール | 17308 | 25428 | 30488 | 30488 | 305011 | 355511 | 355511 | 456812 | 507212 | 608212 | 709212 | ||
| 出力 | ベアリング | 30205 | 30206 | 30207 | 30208 | 30209 | 30210 | 30311 | 30214 | 30214 | 6319Z 30319 | 6320Z 30320 | |
| オイルシール | 254510 | 284811 | 355511 | 406212 | 456812 | 50659 | 557812 | 689012 | 689012 | 9512013 | 10012513 | ||
※オイルシールはJIS規格のタイプ4(旧JIS規格のD型)を使用しています。