| 減速比 | 入力軸回転数 | 項目 | 単位 | 40型 | 50型 | 63型 | 70型 | 80型 | 90型 | 100型 | 125型 | 150型 |
| 1/10 | 1800(r/min) | 入力動力 | Kw | 0.72 | 1.00 | 2.00 | 2.65 | 3.59 | 5.04 | 7.08 | 12.10 | 14.20 |
| 出力トルク | N・m | 32.44 | 44.98 | 93.00 | 122.5 | 168.6 | 238.1 | 339.1 | 578.2 | 698.7 | ||
| 出力O.H.L | N | 1039 | 1098 | 1695 | 1597 | 2313 | 2470 | 2842 | 5439 | 6752 | ||
| 1500 | 入力動力 | Kw | 0.66 | 0.93 | 1.87 | 2.47 | 3.33 | 4.63 | 6.52 | 11.10 | 13.10 | |
| 出力トルク | N・m | 35.18 | 49.98 | 103.7 | 136.2 | 185.2 | 259.7 | 371.4 | 635.0 | 767.3 | ||
| 出力O.H.L | N | 1098 | 1166 | 1803 | 1695 | 2460 | 2626 | 3018 | 5782 | 7174 | ||
| 1200 | 入力動力 | Kw | 0.58 | 0.84 | 1.70 | 2.29 | 3.09 | 4.26 | 6.00 | 10.10 | 11.80 | |
| 出力トルク | N・m | 38.12 | 55.57 | 115.6 | 155.8 | 211.7 | 295.0 | 422.4 | 710.5 | 858.5 | ||
| 出力O.H.L | N | 1186 | 1254 | 1940 | 1833 | 2646 | 2832 | 3254 | 6223 | 7722 | ||
| 1000 | 入力動力 | Kw | 0.51 | 0.76 | 1.54 | 2.11 | 2.86 | 4.01 | 5.60 | 9.31 | 11.00 | |
| 出力トルク | N・m | 40.18 | 59.68 | 125.4 | 170.5 | 234.2 | 330.3 | 470.4 | 783.0 | 947.7 | ||
| 出力O.H.L | N | 1264 | 1333 | 2058 | 1940 | 2813 | 3009 | 3459 | 6615 | 8212 | ||
| 500 | 入力動力 | Kw | 0.3 | 0.48 | 0.97 | 1.39 | 1.94 | 2.78 | 3.88 | 6.91 | 8.07 | |
| 出力トルク | N・m | 45.67 | 71.64 | 151.9 | 215.6 | 304.8 | 440.0 | 627.2 | 1117 | 1352 | ||
| 出力O.H.L | N | 1431 | 1686 | 2597 | 2450 | 3538 | 3793 | 4361 | 8330 | 10339 | ||
| 1/20 | 1800(r/min) | 入力動力 | Kw | 0.46 | 0.65 | 1.10 | 1.63 | 2.43 | 3.25 | 4.22 | 7.17 | 8.33 |
| 出力トルク | N・m | 37.63 | 52.14 | 91.24 | 135.2 | 210.7 | 289.1 | 372.4 | 658.6 | 774.2 | ||
| 出力O.H.L | N | 1303 | 1382 | 2136 | 2009 | 2911 | 3116 | 3587 | 6850 | 8497 | ||
| 1500 | 入力動力 | Kw | 0.42 | 0.61 | 1.05 | 1.53 | 2.28 | 3.06 | 3.92 | 6.73 | 7.70 | |
| 出力トルク | N・m | 40.28 | 57.53 | 102.1 | 150.9 | 233.2 | 322.4 | 408.7 | 732.1 | 851.6 | ||
| 出力O.H.L | N | 1382 | 1470 | 2264 | 2136 | 3097 | 3312 | 3812 | 7281 | 9036 | ||
| 1200 | 入力動力 | Kw | 0.37 | 0.55 | 0.96 | 1.42 | 2.11 | 2.81 | 3.63 | 6.16 | 6.97 | |
| 出力トルク | N・m | 43.12 | 63.8 | 114.7 | 171.5 | 265.6 | 364.6 | 464.5 | 826.1 | 952.6 | ||
| 出力O.H.L | N | 1431 | 1588 | 2440 | 2303 | 3332 | 2567 | 4106 | 7840 | 9731 | ||
| 1000 | 入力動力 | Kw | 0.32 | 0.50 | 0.88 | 1.31 | 1.96 | 2.59 | 3.441 | 5.80 | 6.56 | |
| 出力トルク | N・m | 44.98 | 68.31 | 124.5 | 187.2 | 290.1 | 398.9 | 516.5 | 921.2 | 1058 | ||
| 出力O.H.L | N | 1431 | 1686 | 2597 | 2450 | 3538 | 3793 | 4361 | 8330 | 10339 | ||
| 500 | 入力動力 | Kw | 0.19 | 0.32 | 0.59 | 0.89 | 1.30 | 1.71 | 2.40 | 4.11 | 5.09 | |
| 出力トルク | N・m | 50.27 | 80.95 | 153.9 | 235.2 | 363.6 | 496.9 | 684.0 | 1245 | 1490 | ||
| 出力O.H.L | N | 1431 | 2127 | 2862 | 3087 | 4459 | 4773 | 5498 | 10496 | 13024 | ||
| 1/30 | 1800(r/min) | 入力動力 | Kw | 0.34 | 0.58 | 0.96 | 1.36 | 1.75 | 2.38 | 3.07 | 5.37 | 7.03 |
| 出力トルク | N・m | 37.93 | 65.27 | 111.6 | 159.7 | 207.8 | 287.1 | 373.4 | 676.2 | 930.0 | ||
| 出力O.H.L | N | 1431 | 1588 | 2440 | 2303 | 3332 | 3567 | 4106 | 7840 | 9731 | ||
| 1500 | 入力動力 | Kw | 0.31 | 0.54 | 0.90 | 1.29 | 1.65 | 2.23 | 2.87 | 5.02 | 6.54 | |
| 出力トルク | N・m | 40.67 | 71.05 | 123.4 | 177.4 | 230.3 | 315.6 | 410.6 | 743.8 | 1019 | ||
| 出力O.H.L | N | 1431 | 1686 | 2597 | 2450 | 3538 | 3793 | 4361 | 8330 | 10339 | ||
| 1200 | 入力動力 | Kw | 0.28 | 0.48 | 0.82 | 1.19 | 1.54 | 2.10 | 2.68 | 4.58 | 5.96 | |
| 出力トルク | N・m | 43.61 | 77.52 | 136.2 | 198.9 | 261.7 | 361.6 | 466.5 | 831.0 | 1147 | ||
| 出力O.H.L | N | 1431 | 1813 | 2793 | 2636 | 3812 | 4087 | 4694 | 8977 | 11143 | ||
| 1000 | 入力動力 | Kw | 0.24 | 0.43 | 0.75 | 1.10 | 1.43 | 1.97 | 2.53 | 4.36 | 5.26 | |
| 出力トルク | N・m | 45.57 | 82.12 | 147.0 | 216.6 | 286.2 | 398.9 | 519.4 | 928.1 | 1274 | ||
| 出力O.H.L | N | 1431 | 1931 | 2862 | 2803 | 4057 | 4341 | 4988 | 9535 | 11838 | ||
| 500 | 入力動力 | Kw | 0.15 | 0.27 | 0.48 | 0.73 | 0.98 | 1.38 | 1.82 | 3.27 | 4.19 | |
| 出力トルク | N・m | 50.96 | 94.57 | 174.4 | 263.6 | 360.6 | 517.4 | 690.9 | 1294 | 1784 | ||
| 出力O.H.L | N | 1431 | 2234 | 2862 | 3499 | 5067 | 5468 | 6292 | 12015 | 14916 | ||
| 1/40 | 1800(r/min) | 入力動力 | Kw | 0.28 | 0.40 | 0.66 | 0.96 | 1.42 | 1.90 | 2.38 | 4.10 | 4.65 |
| 出力トルク | N・m | 37.53 | 51.16 | 89.47 | 131.3 | 217.6 | 289.1 | 377.3 | 665.4 | 775.2 | ||
| 出力O.H.L | N | 1431 | 1744 | 2685 | 2538 | 3665 | 3930 | 4518 | 8634 | 10711 | ||
| 1500 | 入力動力 | Kw | 0.26 | 0.37 | 0.64 | 0.92 | 1.34 | 1.79 | 2.25 | 3.81 | 4.34 | |
| 出力トルク | N・m | 40.18 | 56.25 | 100.1 | 147.0 | 242.1 | 320.5 | 419.4 | 730.1 | 853.6 | ||
| 出力O.H.L | N | 1431 | 1852 | 2852 | 2695 | 3900 | 4175 | 4802 | 9173 | 11378 | ||
| 1200 | 入力動力 | Kw | 0.23 | 0.34 | 0.59 | 0.87 | 1.23 | 1.67 | 2.10 | 3.55 | 3.96 | |
| 出力トルク | N・m | 43.12 | 62.43 | 111.7 | 167.6 | 270.5 | 364.6 | 478.2 | 828.1 | 951.6 | ||
| 出力O.H.L | N | 1431 | 1999 | 2862 | 2901 | 4194 | 4498 | 5165 | 9878 | 12260 | ||
| 1000 | 入力動力 | Kw | 0.21 | 0.32 | 0.55 | 0.81 | 1.13 | 1.55 | 1.94 | 3.37 | 3.80 | |
| 出力トルク | N・m | 45.08 | 66.93 | 121.5 | 182.3 | 292.0 | 397.9 | 520.4 | 923.2 | 1058 | ||
| 出力O.H.L | N | 1431 | 2127 | 2862 | 3087 | 4459 | 4773 | 5498 | 10496 | 13024 | ||
| 500 | 入力動力 | Kw | 0.13 | 0.21 | 0.38 | 0.57 | 0.74 | 1.08 | 1.34 | 2.42 | 2.83 | |
| 出力トルク | N・m | 50.47 | 79.58 | 149.9 | 230.3 | 351.8 | 501.8 | 654.6 | 1235 | 1490 | ||
| 出力O.H.L | N | 1431 | 2234 | 2862 | 3499 | 5067 | 6017 | 6919 | 12769 | 15543 | ||
| 1/50 | 1800(r/min) | 入力動力 | Kw | 0.22 | 0.36 | 0.63 | 0.85 | 1.18 | 1.44 | 1.96 | 3.34 | 4.50 |
| 出力トルク | N・m | 35.87 | 55.86 | 109.5 | 147.0 | 208.7 | 251.9 | 361.6 | 641.9 | 915.3 | ||
| 出力O.H.L | N | 1431 | 1882 | 2862 | 2734 | 3949 | 4234 | 4861 | 9300 | 11535 | ||
| 1500 | 入力動力 | Kw | 0.20 | 0.33 | 0.59 | 0.80 | 1.14 | 1.35 | 1.86 | 3.11 | 4.22 | |
| 出力トルク | N・m | 38.12 | 60.96 | 11.95 | 161.7 | 234.2 | 276.4 | 402.8 | 703.6 | 999.6 | ||
| 出力O.H.L | N | 1431 | 1999 | 2862 | 2901 | 4194 | 4498 | 5165 | 9878 | 12260 | ||
| 1200 | 入力動力 | Kw | 0.18 | 0.30 | 0.53 | 0.73 | 1.05 | 1.28 | 1.75 | 2.91 | 3.94 | |
| 出力トルク | N・m | 40.47 | 66.54 | 130.3 | 180.3 | 261.7 | 316.5 | 459.6 | 797.7 | 1147 | ||
| 出力O.H.L | N | 1431 | 2156 | 2862 | 3126 | 4528 | 4841 | 5566 | 10643 | 13210 | ||
| 1000 | 入力動力 | Kw | 0.16 | 0.28 | 0.48 | 0.66 | 0.97 | 1.20 | 1.64 | 2.78 | 3.72 | |
| 出力トルク | N・m | 42.04 | 70.46 | 139.2 | 193.1 | 284.2 | 346.9 | 503.7 | 889.8 | 1264 | ||
| 出力O.H.L | N | 1431 | 2234 | 2862 | 3322 | 4802 | 5145 | 5919 | 11309 | 14034 | ||
| 500 | 入力動力 | Kw | 0.10 | 0.18 | 0.31 | 0.44 | 0.66 | 0.86 | 1.14 | 2.03 | 2.69 | |
| 出力トルク | N・m | 46.26 | 81.14 | 160.7 | 228.3 | 346.9 | 444.9 | 639 | 1186 | 1695 | ||
| 出力O.H.L | N | 1431 | 2234 | 2862 | 3499 | 5067 | 6223 | 7458 | 12769 | 15543 | ||
| 1/60 | 1800(r/min) | 入力動力 | Kw | 0.20 | 0.30 | 0.47 | 0.75 | 0.87 | 1.17 | 1.58 | 2.58 | 3.13 |
| 出力トルク | N・m | 34.30 | 52.92 | 81.54 | 152.9 | 183.3 | 242.1 | 345.9 | 594.9 | 709.5 | ||
| 出力O.H.L | N | 1431 | 1999 | 2862 | 2901 | 4194 | 4498 | 5165 | 9878 | 12260 | ||
| 1500 | 入力動力 | Kw | 0.19 | 0.28 | 0.46 | 0.70 | 0.81 | 1.12 | 1.51 | 2.46 | 2.92 | |
| 出力トルク | N・m | 36.85 | 57.62 | 91.04 | 167.6 | 200.9 | 270.5 | 386.1 | 662.5 | 781.1 | ||
| 出力O.H.L | N | 1431 | 2127 | 2862 | 3087 | 4459 | 4773 | 5498 | 10496 | 13024 | ||
| 1200 | 入力動力 | Kw | 0.17 | 0.26 | 0.43 | 0.63 | 0.74 | 1.04 | 1.39 | 2.3 | 2.71 | |
| 出力トルク | N・m | 19.49 | 63.11 | 101.9 | 183.3 | 220.5 | 304.8 | 433.2 | 755.6 | 870.2 | ||
| 出力O.H.L | N | 1431 | 2234 | 2862 | 3322 | 4802 | 5145 | 5919 | 11309 | 14034 | ||
| 1000 | 入力動力 | Kw | 0.15 | 0.24 | 0.40 | 0.58 | 0.67 | 0.96 | 1.29 | 2.14 | 2.60 | |
| 出力トルク | N・m | 41.26 | 6684 | 110.7 | 195.0 | 236.2 | 331.2 | 470.4 | 826.1 | 9703.2 | ||
| 出力O.H.L | N | 1431 | 2234 | 28692 | 3499 | 5067 | 5468 | 6292 | 12015 | 14916 | ||
| 500 | 入力動力 | Kw | 0.10 | 0.15 | 0.28 | 0.37 | 0.43 | 0.66 | 0.87 | 1.48 | 1.99 | |
| 出力トルク | N・m | 46.16 | 76.93 | 137.2 | 225.4 | 286.4 | 406.7 | 573.3 | 1039 | 1362 | ||
| 出力O.H.L | N | 1431 | 2234 | 2862 | 3499 | 5067 | 6223 | 7536 | 12769 | 15543 |
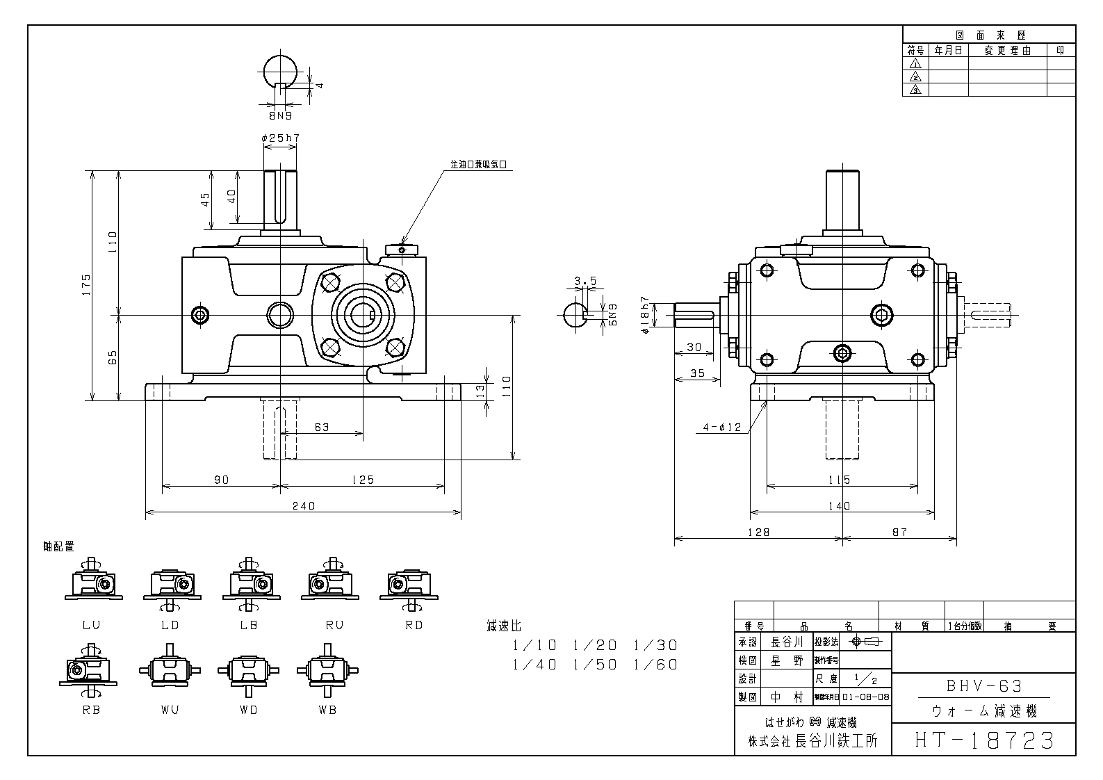
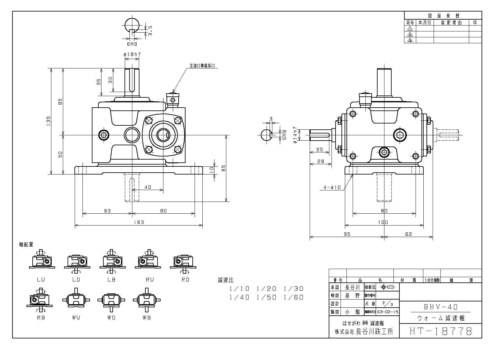
| 40型 | 50型 | 63型 | 70型 | 80型 | 90型 | 100型 | |||
| BHV | 入力 | ベアリング | 30203 | 30203 | 320/28 | 320/28 | 320/28 | 30206 | 30206 |
| オイルシール | 17308 | 17308 | 28408 | 28458 | 28458 | 305011 | 305011 | ||
| 出力 | ベアリング | 7204 | 7205 | 7206 | 7206 | 7208 | 7209 | 7210 | |
| オイルシール | 20358 | 254510 | 305011 | 305011 | 406212 | 456812 | 507212 | ||
※オイルシールはJIS規格のタイプ4(旧JIS規格のD型)を使用しています。