| 減速比 | モーター出力 | 項目 | 単位 | 10Hz | 20 | 30 | 40 | 50 | 60 | 70 | 80 | 90 | 100 | 110 | 120 | |
| 40型 | 1/10 | 0.2(Kw) | 回転数 | r/min | 30 | 60 | 90 | 120 | 150 | 180 | 210 | 240 | 270 | 300 | 330 | 360 |
| 出力トルク | N・m | 6.66 | 7.35 | 8.04 | 8.13 | 9.11 | 10.00 | 9.21 | 7.64 | 7.25 | 5.98 | 5.19 | 4.80 | |||
| 出力O.H.L | N | 1431 | 1431 | 1303 | 1186 | 1098 | 1039 | 980 | 941 | 902 | 872 | 843 | 823 | |||
| 1/20 | 回転数 | r/min | 15 | 30 | 45 | 60 | 75 | 90 | 105 | 120 | 135 | 150 | 165 | 180 | ||
| 出力トルク | N・m | 11.66 | 13.03 | 14.21 | 14.5 | 16.37 | 18.13 | 16.86 | 13.92 | 13.33 | 11.07 | 9.51 | 8.82 | |||
| 出力O.H.L | N | 1431 | 1431 | 1431 | 1431 | 1382 | 1303 | 1235 | 1186 | 1137 | 1098 | 1068 | 1039 | |||
| 1/30 | 回転数 | r/min | 10 | 20 | 30 | 40 | 50 | 60 | 70 | 80 | 90 | 100 | 110 | 120 | ||
| 出力トルク | N・m | 14.9 | 16.95 | 18.72 | 19.21 | 21.95 | 24.4 | 22.74 | 18.91 | 18.03 | 14.99 | 13.03 | 12.05 | |||
| 出力O.H.L | N | 1431 | 1431 | 1431 | 1431 | 1431 | 1431 | 1421 | 1352 | 1303 | 1264 | 1225 | 1186 | |||
| 50型 | 1/40 | 回転数 | r/min | 7.5 | 15 | 22.5 | 30 | 37.5 | 45 | 52.5 | 60 | 67.5 | 75 | 82.5 | 90 | |
| 出力トルク | N・m | 15.88 | 18.82 | 21.07 | 22.15 | 25.28 | 28.22 | 26.66 | 22.25 | 21.36 | 17.93 | 15.58 | 14.41 | |||
| 出力O.H.L | N | 2234 | 2234 | 2195 | 1999 | 1852 | 1744 | 1656 | 1588 | 1529 | 1470 | 1421 | 1382 | |||
| 1/50 | 回転数 | r/min | 6 | 12 | 18 | 24 | 30 | 36 | 42 | 48 | 54 | 60 | 66 | 72 | ||
| 出力トルク | N・m | 19.7 | 23.13 | 25.97 | 27.44 | 31.07 | 34.59 | 32.54 | 27.24 | 26.26 | 22.05 | 19.11 | 17.84 | |||
| 出力O.H.L | N | 2234 | 2234 | 2234 | 2156 | 1999 | 1882 | 1784 | 1705 | 1646 | 1588 | 1539 | 1490 | |||
| 1/60 | 回転数 | r/min | 5 | 10 | 15 | 20 | 25 | 30 | 35 | 40 | 45 | 50 | 55 | 60 | ||
| 出力トルク | N・m | 21.27 | 25.19 | 28.52 | 30.18 | 34.4 | 38.81 | 36.16 | 30.38 | 29.4 | 24.7 | 21.36 | 19.99 | |||
| 出力O.H.L | N | 2234 | 2234 | 2234 | 2234 | 2127 | 1999 | 1901 | 1813 | 1744 | 1686 | 1637 | 1588 | |||
| 1/10 | 0.4(Kw) | 回転数 | r/min | 30 | 60 | 90 | 120 | 150 | 180 | 210 | 240 | 270 | 300 | 330 | 360 | |
| 出力トルク | N・m | 15.78 | 18.52 | 19.89 | 20.78 | 21.36 | 18.03 | 15.68 | 13.82 | 12.35 | 11.17 | 10.29 | 9.9 | |||
| 出力O.H.L | N | 1999 | 1588 | 1.82 | 1254 | 1166 | 1098 | 1049 | 1000 | 960 | 931 | 902 | 872 | |||
| 1/20 | 回転数 | r/min | 15 | 30 | 45 | 60 | 75 | 90 | 105 | 120 | 135 | 150 | 165 | 180 | ||
| 出力トルク | N・m | 26.17 | 31.46 | 34.3 | 36.36 | 37.53 | 31.95 | 27.83 | 24.7 | 22.25 | 20.09 | 18.62 | 17.93 | |||
| 出力O.H.L | N | 2234 | 1999 | 1744 | 1588 | 1470 | 1382 | 1313 | 1254 | 1205 | 1166 | 1127 | 1098 | |||
| 1/30 | 回転数 | r/min | 10 | 20 | 30 | 40 | 50 | 60 | 70 | 80 | 90 | 100 | 110 | 120 | ||
| 出力トルク | N・m | 36.06 | 43.71 | 48.02 | 51.16 | 52.92 | 44.98 | 39.3 | 34.99 | 31.65 | 28.71 | 26.46 | 25.68 | |||
| 出力O.H.L | N | 2234 | 2234 | 1999 | 1813 | 1686 | 1588 | 1509 | 1441 | 1382 | 1333 | 1294 | 1254 | |||
| 63型 | 1/40 | 回転数 | r/min | 7.5 | 15 | 22.5 | 30 | 37.5 | 45 | 52.5 | 60 | 67.5 | 75 | 82.5 | 90 | |
| 出力トルク | N・m | 40.28 | 50.18 | 56.06 | 59.98 | 62.92 | 54.19 | 47.43 | 42.53 | 38.42 | 34.89 | 32.34 | 31.16 | |||
| 出力O.H.L | N | 2862 | 2862 | 2862 | 2862 | 2852 | 2685 | 2558 | 2440 | 2352 | 2264 | 2195 | 2136 | |||
| 1/50 | 回転数 | r/min | 6 | 12 | 18 | 24 | 30 | 36 | 42 | 48 | 54 | 60 | 66 | 72 | ||
| 出力トルク | N・m | 53.51 | 65.86 | 72.52 | 77.81 | 81.05 | 69.48 | 60.66 | 54.19 | 48.9 | 44.49 | 41.45 | 40.18 | |||
| 出力O.H.L | N | 2862 | 2862 | 2862 | 2862 | 2862 | 2862 | 2754 | 2626 | 2528 | 2440 | 2362 | 2303 | |||
| 1/60 | 回転数 | r/min | 5 | 10 | 15 | 20 | 25 | 30 | 35 | 40 | 45 | 50 | 55 | 60 | ||
| 出力トルク | N・m | 47.92 | 60.96 | 69.19 | 74.87 | 79.09 | 68.8 | 60.56 | 54.68 | 49.59 | 45.08 | 42.04 | 40.57 | |||
| 出力O.H.L | N | 2862 | 2862 | 2862 | 2862 | 2862 | 2862 | 2862 | 2793 | 2685 | 2597 | 2509 | 2440 | |||
| 70型 | 1/10 | 0.75(Kw) | 回転数 | r/min | 30 | 60 | 90 | 120 | 150 | 180 | 210 | 240 | 270 | 300 | 330 | 360 |
| 出力トルク | N・m | 26.85 | 32.44 | 36.26 | 38.81 | 40.96 | 34.59 | 29.89 | 26.26 | 23.42 | 21.27 | 21.17 | 19.4 | |||
| 出力O.H.L | N | 2901 | 2303 | 2009 | 1833 | 1695 | 1597 | 1519 | 1450 | 1392 | 1352 | 1303 | 1264 | |||
| 1/20 | 回転数 | r/min | 15 | 30 | 45 | 60 | 75 | 90 | 105 | 120 | 135 | 150 | 165 | 180 | ||
| 出力トルク | N・m | 45.08 | 55.47 | 63.6 | 68.7 | 73.11 | 61.94 | 53.8 | 47.73 | 42.73 | 38.91 | 38.71 | 35.57 | |||
| 出力O.H.L | N | 3499 | 2901 | 2538 | 2303 | 2136 | 2009 | 1911 | 1833 | 1754 | 1695 | 1646 | 1597 | |||
| 1/30 | 回転数 | r/min | 10 | 20 | 30 | 40 | 50 | 60 | 70 | 80 | 90 | 100 | 110 | 120 | ||
| 出力トルク | N・m | 61.35 | 76.93 | 87.91 | 95.65 | 101.9 | 87.12 | 75.75 | 67.42 | 60.56 | 55.17 | 55.17 | 50.86 | |||
| 出力O.H.L | N | 3499 | 3322 | 2901 | 2636 | 2450 | 2303 | 2185 | 2097 | 2009 | 1940 | 1882 | 1833 | |||
| 80型 | 1/40 | 回転数 | r/min | 7.5 | 15 | 22.5 | 30 | 37.5 | 45 | 52.5 | 60 | 67.5 | 75 | 82.5 | 90 | |
| 出力トルク | N・m | 80.07 | 99.96 | 114.7 | 124.5 | 134.3 | 114.7 | 98.98 | 88.4 | 79.77 | 72.52 | 72.52 | 66.84 | |||
| 出力O.H.L | N | 5067 | 5067 | 4626 | 4194 | 3900 | 3665 | 3489 | 3332 | 3205 | 3097 | 2999 | 2911 | |||
| 1/50 | 回転数 | r/min | 6 | 12 | 18 | 24 | 30 | 36 | 42 | 48 | 54 | 60 | 66 | 72 | ||
| 出力トルク | N・m | 88.2 | 112.7 | 130.3 | 142.1 | 152.9 | 131.3 | 114.7 | 102.9 | 92.32 | 84.48 | 84.38 | 78.2 | |||
| 出力O.H.L | N | 5067 | 5067 | 4978 | 4528 | 4194 | 3949 | 3753 | 3587 | 3450 | 3332 | 3224 | 3136 | |||
| 1/60 | 回転数 | r/min | 5 | 10 | 15 | 20 | 25 | 30 | 35 | 40 | 45 | 50 | 55 | 60 | ||
| 出力トルク | N・m | 107.8 | 136.2 | 156.8 | 171.5 | 185.2 | 157.8 | 137.2 | 123.5 | 110.7 | 100.9 | 100.9 | 94.08 | |||
| 出力O.H.L | N | 5067 | 5067 | 5067 | 4802 | 4459 | 4194 | 3989 | 3812 | 3665 | 3538 | 3430 | 3332 | |||
| 1/10 | 1.5(Kw) | 回転数 | r/min | 30 | 60 | 90 | 120 | 150 | 180 | 210 | 240 | 270 | 300 | 330 | 360 | |
| 出力トルク | N・m | 74.87 | 76.54 | 82.61 | 86.34 | 90.06 | 75.46 | 65.17 | 57.33 | 51.25 | 46.26 | 41.94 | 38.61 | |||
| 出力O.H.L | N | 4194 | 3332 | 2911 | 2646 | 2460 | 2313 | 2195 | 2097 | 2019 | 1950 | 1891 | 1833 | |||
| 1/20 | 回転数 | r/min | 15 | 30 | 45 | 60 | 75 | 90 | 105 | 120 | 135 | 150 | 165 | 180 | ||
| 出力トルク | N・m | 131.3 | 136.2 | 149 | 157.8 | 165.6 | 139.2 | 120.5 | 106.8 | 95.75 | 86.53 | 78.99 | 72.62 | |||
| 出力O.H.L | N | 5067 | 4194 | 3665 | 3332 | 3097 | 2911 | 2764 | 2646 | 2548 | 2460 | 2381 | 2313 | |||
| 1/30 | 回転数 | r/min | 10 | 20 | 30 | 40 | 50 | 60 | 70 | 80 | 90 | 100 | 110 | 120 | ||
| 出力トルク | N・m | 170.5 | 180.3 | 201.9 | 213.6 | 225.4 | 191.1 | 166.6 | 148 | 132.3 | 120.5 | 109.8 | 100.9 | |||
| 出力O.H.L | N | 5067 | 4802 | 4194 | 3812 | 3538 | 33352 | 3165 | 3028 | 2911 | 2813 | 2724 | 2646 | |||
| 90型 | 1/40 | 回転数 | r/min | 7.5 | 15 | 22.5 | 30 | 37.5 | 45 | 52.5 | 60 | 67.5 | 75 | 82.5 | 90 | |
| 出力トルク | N・m | 215.6 | 229.3 | 257.7 | 274.4 | 289.1 | 245 | 214.6 | 190.1 | 171.56 | 155.8 | 142.1 | 131.3 | |||
| 出力O.H.L | N | 6223 | 5664 | 4949 | 4498 | 4175 | 3930 | 3734 | 3567 | 3430 | 3312 | 3205 | 3116 | |||
| 1/50 | 回転数 | r/min | 6 | 12 | 18 | 24 | 30 | 36 | 42 | 48 | 54 | 60 | 66 | 72 | ||
| 出力トルク | N・m | 236.2 | 256.8 | 288.1 | 310.7 | 276.4 | 250.9 | 230.3 | 214.6 | 198.9 | 180.3 | 164.6 | 151.9 | |||
| 出力O.H.L | N | 6223 | 6105 | 5331 | 4841 | 4498 | 4234 | 4018 | 3842 | 3695 | 3567 | 3459 | 3361 | |||
| 1/60 | 回転数 | r/min | 5 | 10 | 15 | 20 | 25 | 30 | 35 | 40 | 45 | 50 | 55 | 60 | ||
| 出力トルク | N・m | 280.3 | 304.8 | 342 | 303.8 | 269.5 | 242.1 | 222.5 | 207.8 | 196 | 184.2 | 175.4 | 167.6 | |||
| 出力O.H.L | N | 6223 | 6223 | 5664 | 5145 | 4773 | 4498 | 4273 | 4087 | 3930 | 3793 | 3675 | 3567 | |||
| 1/10 | 2.2(Kw) | 回転数 | r/min | 30 | 60 | 90 | 120 | 150 | 180 | 210 | 240 | 270 | 300 | 330 | 360 | |
| 出力トルク | N・m | 93.79 | 101.9 | 107.8 | 111.7 | 114.7 | 96.04 | 83.2 | 73.11 | 65.27 | 58.9 | 54.1 | 49.59 | |||
| 出力O.H.L | N | 4498 | 3567 | 3116 | 2832 | 2626 | 2470 | 2352 | 2244 | 2166 | 2087 | 2019 | 1960 | |||
| 1/20 | 回転数 | r/min | 15 | 30 | 45 | 60 | 75 | 90 | 105 | 120 | 135 | 150 | 165 | 180 | ||
| 出力トルク | N・m | 170.5 | 188.2 | 200.9 | 209.7 | 215.6 | 180.3 | 157.8 | 139.2 | 124.5 | 112.7 | 103.9 | 95.26 | |||
| 出力O.H.L | N | 5664 | 4498 | 3930 | 3567 | 3312 | 3116 | 2960 | 2832 | 2724 | 2626 | 2548 | 2470 | |||
| 1/30 | 回転数 | r/min | 10 | 20 | 30 | 40 | 50 | 60 | 70 | 80 | 90 | 100 | 110 | 120 | ||
| 出力トルク | N・m | 214.6 | 243 | 263.6 | 278.3 | 290.1 | 245 | 213.6 | 189.1 | 169.5 | 153.9 | 142.1 | 130.3 | |||
| 出力O.H.L | N | 6223 | 5145 | 4498 | 4087 | 3793 | 3567 | 3391 | 3244 | 3116 | 3009 | 2920 | 2832 | |||
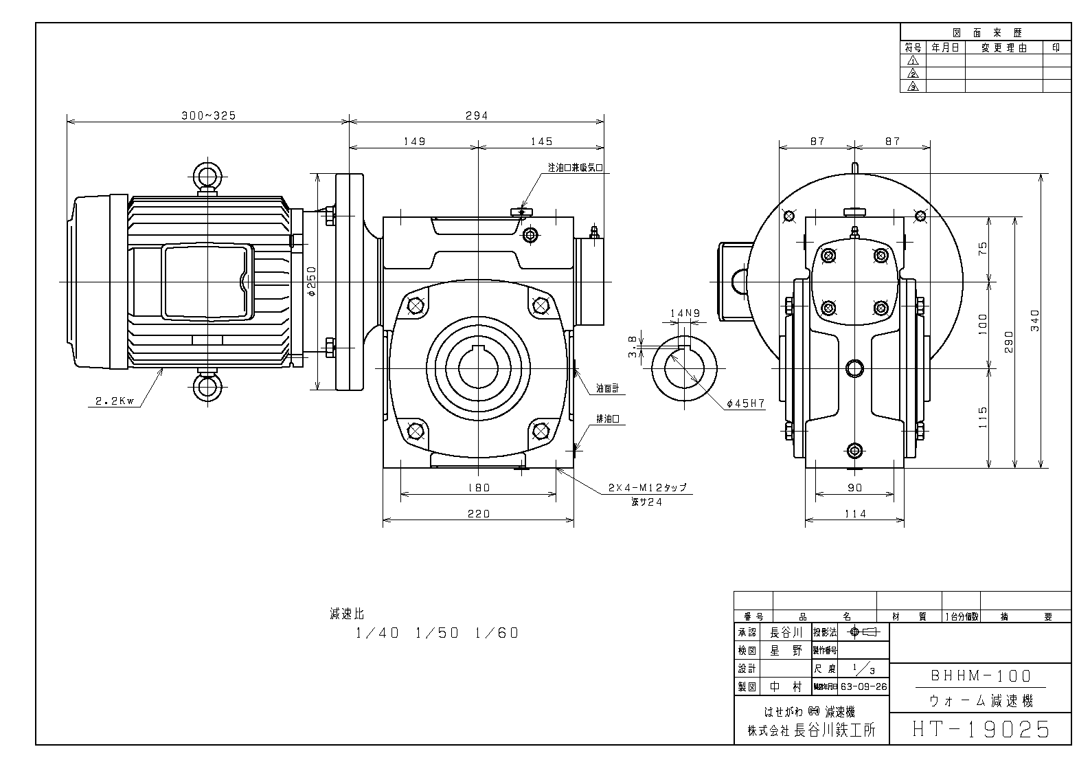
| 100型 | 1/40 | 回転数 | r/min | 7.5 | 15 | 22.5 | 30 | 37.5 | 45 | 52.5 | 60 | 67.5 | 75 | 82.5 | 90 | |
| 出力トルク | N・m | 283.2 | 318.5 | 347.9 | 366.5 | 381.2 | 321.4 | 281.3 | 249.9 | 224.4 | 203.8 | 188.2 | 173.5 | |||
| 出力O.H.L | N | 7536 | 6517 | 5694 | 5165 | 4802 | 4518 | 4292 | 4106 | 3949 | 3812 | 3695 | 3587 | |||
| 1/50 | 回転数 | r/min | 6 | 12 | 18 | 24 | 30 | 36 | 42 | 48 | 54 | 60 | 66 | 72 | ||
| 出力トルク | N・m | 316.5 | 364.6 | 397.9 | 423.4 | 402.8 | 361.6 | 330.3 | 292 | 262.6 | 239.1 | 221.5 | 203.8 | |||
| 出力O.H.L | N | 7536 | 7017 | 6125 | 5566 | 5165 | 4861 | 4626 | 4420 | 4253 | 4106 | 3979 | 3861 | |||
| 1/60 | 回転数 | r/min | 5 | 10 | 15 | 20 | 25 | 30 | 35 | 40 | 45 | 50 | 55 | 60 | ||
| 出力トルク | N・m | 376.3 | 432.2 | 471.4 | 433.2 | 386.1 | 345.9 | 316.5 | 295 | 280.3 | 264.6 | 250.9 | 241.1 | |||
| 出力O.H.L | N | 7536 | 7458 | 6517 | 5919 | 5498 | 5165 | 4910 | 4694 | 4518 | 4361 | 4224 | 4106 |
こちらの機種の詳細に関しては、別途お問い合わせください。