BHDM

図面

40型

50型

63型

70型

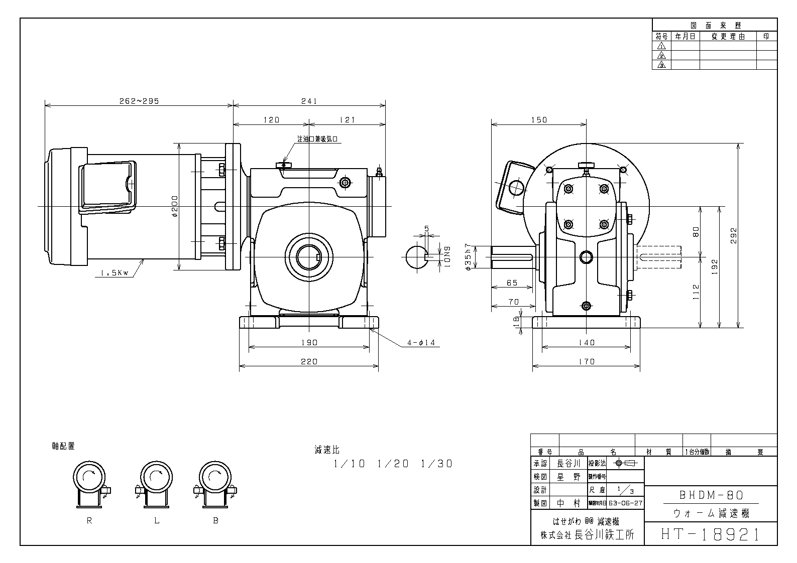
80型

90型

100型

伝動能力表

減速比モーター出力項目単位10Hz2030405060708090100110120
40型1/100.2(Kw)回転数r/min306090120150180210240270300330360
出力トルクN・m6.667.358.048.139.1110.009.217.647.255.985.194.80
出力O.H.LN143114311303118610981039980941902872843823
1/20回転数r/min153045607590105120135150165180
出力トルクN・m11.6613.0314.2114.516.3718.1316.8613.9213.3311.079.518.82
出力O.H.LN143114311431143113821303123511861137109810681039
1/30回転数r/min102030405060708090100110120
出力トルクN・m14.916.9518.7219.2121.9524.422.7418.9118.0314.9913.0312.05
出力O.H.LN143114311431143114311431142113521303126412251186
50型1/40回転数r/min7.51522.53037.54552.56067.57582.590
出力トルクN・m15.8818.8221.0722.1525.2828.2226.6622.2521.3617.9315.5814.41
出力O.H.LN223422342195199918521744165615881529147014211382
1/50回転数r/min61218243036424854606672
出力トルクN・m19.723.1325.9727.4431.0734.5932.5427.2426.2622.0519.1117.84
出力O.H.LN223422342234215619991882178417051646158815391490
1/60回転数r/min51015202530354045505560
出力トルクN・m21.2725.1928.5230.1834.438.8136.1630.3829.424.721.3619.99
出力O.H.LN223422342234223421271999190118131744168616371588
1/100.4(Kw)回転数r/min306090120150180210240270300330360
出力トルクN・m15.7818.5219.8920.7821.3618.0315.6813.8212.3511.1710.299.9
出力O.H.LN199915881.8212541166109810491000960931902872
1/20回転数r/min153045607590105120135150165180
出力トルクN・m26.1731.4634.336.3637.5331.9527.8324.722.2520.0918.6217.93
出力O.H.LN223419991744158814701382131312541205116611271098
1/30回転数r/min102030405060708090100110120
出力トルクN・m36.0643.7148.0251.1652.9244.9839.334.9931.6528.7126.4625.68
出力O.H.LN223422341999181316861588150914411382133312941254
63型1/40回転数r/min7.51522.53037.54552.56067.57582.590
出力トルクN・m40.2850.1856.0659.9862.9254.1947.4342.5338.4234.8932.3431.16
出力O.H.LN286228622862286228522685255824402352226421952136
1/50回転数r/min61218243036424854606672
出力トルクN・m53.5165.8672.5277.8181.0569.4860.6654.1948.944.4941.4540.18
出力O.H.LN286228622862286228622862275426262528244023622303
1/60回転数r/min51015202530354045505560
出力トルクN・m47.9260.9669.1974.8779.0968.860.5654.6849.5945.0842.0440.57
出力O.H.LN286228622862286228622862286227932685259725092440
70型1/100.75(Kw)回転数r/min306090120150180210240270300330360
出力トルクN・m26.8532.4436.2638.8140.9634.5929.8926.2623.4221.2721.1719.4
出力O.H.LN290123032009183316951597151914501392135213031264
1/20回転数r/min153045607590105120135150165180
出力トルクN・m45.0855.4763.668.773.1161.9453.847.7342.7338.9138.7135.57
出力O.H.LN349929012538230321362009191118331754169516461597
1/30回転数r/min102030405060708090100110120
出力トルクN・m61.3576.9387.9195.65101.987.1275.7567.4260.5655.1755.1750.86
出力O.H.LN349933222901263624502303218520972009194018821833
80型1/40回転数r/min7.51522.53037.54552.56067.57582.590
出力トルクN・m80.0799.96114.7124.5134.3114.798.9888.479.7772.5272.5266.84
出力O.H.LN506750674626419439003665348933323205309729992911
1/50回転数r/min61218243036424854606672
出力トルクN・m88.2112.7130.3142.1152.9131.3114.7102.992.3284.4884.3878.2
出力O.H.LN506750674978452841943949375335873450333232243136
1/60回転数r/min51015202530354045505560
出力トルクN・m107.8136.2156.8171.5185.2157.8137.2123.5110.7100.9100.994.08
出力O.H.LN506750675067480244594194398938123665353834303332
1/101.5(Kw)回転数r/min306090120150180210240270300330360
出力トルクN・m74.8776.5482.6186.3490.0675.4665.1757.3351.2546.2641.9438.61
出力O.H.LN419433322911264624602313219520972019195018911833
1/20回転数r/min153045607590105120135150165180
出力トルクN・m131.3136.2149157.8165.6139.2120.5106.895.7586.5378.9972.62
出力O.H.LN506741943665333230972911276426462548246023812313
1/30回転数r/min102030405060708090100110120
出力トルクN・m170.5180.3201.9213.6225.4191.1166.6148132.3120.5109.8100.9
出力O.H.LN5067480241943812353833352316530282911281327242646
90型1/40回転数r/min7.51522.53037.54552.56067.57582.590
出力トルクN・m215.6229.3257.7274.4289.1245214.6190.1171.56155.8142.1131.3
出力O.H.LN622356644949449841753930373435673430331232053116
1/50回転数r/min61218243036424854606672
出力トルクN・m236.2256.8288.1310.7276.4250.9230.3214.6198.9180.3164.6151.9
出力O.H.LN622361055331484144984234401838423695356734593361
1/60回転数r/min51015202530354045505560
出力トルクN・m280.3304.8342303.8269.5242.1222.5207.8196184.2175.4167.6
出力O.H.LN622362235664514547734498427340873930379336753567
1/102.2(Kw)回転数r/min306090120150180210240270300330360
出力トルクN・m93.79101.9107.8111.7114.796.0483.273.1165.2758.954.149.59
出力O.H.LN449835673116283226262470235222442166208720191960
1/20回転数r/min153045607590105120135150165180
出力トルクN・m170.5188.2200.9209.7215.6180.3157.8139.2124.5112.7103.995.26
出力O.H.LN566444983930356733123116296028322724262625482470
1/30回転数r/min102030405060708090100110120
出力トルクN・m214.6243263.6278.3290.1245213.6189.1169.5153.9142.1130.3
出力O.H.LN622351454498408737933567339132443116300929202832
100型1/40回転数r/min7.51522.53037.54552.56067.57582.590
出力トルクN・m283.2318.5347.9366.5381.2321.4281.3249.9224.4203.8188.2173.5
出力O.H.LN753665175694516548024518429241063949381236953587
1/50回転数r/min61218243036424854606672
出力トルクN・m316.5364.6397.9423.4402.8361.6330.3292262.6239.1221.5203.8
出力O.H.LN753670176125556651654861462644204253410639793861
1/60回転数r/min51015202530354045505560
出力トルクN・m376.3432.2471.4433.2386.1345.9316.5295280.3264.6250.9241.1
出力O.H.LN753674586517591954985165491046944518436142244106

展開図

展開図

部品表

  1. ケーシング
  2. ウォーム軸ユニット
  3. モータフランジ
  4. モータ(※BHFには付属しない)
  5. ウォームホイール
  6. 出力軸
  7. 出力シールドカバー
  8. 軸受(ベアリング)
  9. オイルシール
  10. Oリング
  11. DUベース(※BHDM/BHHDM)
  12. Lベース(※BHLM)
  13. Zベース(※BHZM)
  14. シールキャップ

ベアリング・オイルシール型番詳細

こちらの機種の詳細に関しては、別途お問い合わせください。